Multi-Part Shared Blank CNC Machining: Efficient Process for Thin-Walled Aluminum Parts
Aluminum alloys exhibit low density, excellent mechanical properties, good machinability, and high corrosion resistance.
Engineers have long used them as the primary material for prototype manufacturing and widely apply them in the lightweight design of mechanical products.
Figure 1 shows the structure of the transmission system for an amphibious remote-controlled stunt vehicle.

A company commissioned this product, and the Engineering Practice Center at Liuzhou Vocational and Technical University manufactured it using 6061 aluminum alloy.
This transmission system primarily consists of components such as gears, shafts, and support plates.
The left transmission support plate, right transmission support plate, and front motor housing represent typical thin-walled plate components.
The left and right support plates serve to position and secure the gear shaft, ensuring that the gears on the shaft are in a fixed position.
Since the vehicle is designed to operate in water, engineers have treated the motor with waterproof sealing.
The front motor housing fits the motor protective casing with high precision and incorporates a sealing structure.
Analysis and Development of CNC Machining Processes for the Support Plate and Motor Front Housing
Part Analysis
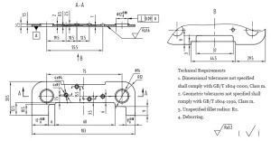
Figure 2 shows the part drawing of the left transmission support plate.

As shown in Figure 2, the external dimensions of the left drive support plate are 103 mm × 33.5 mm × 2.5 mm, with a maximum wall thickness of 2.5 mm and a minimum wall thickness of 1.5 mm.
There are two Φ12 mm holes with a precision grade of IT 5.
The hole axes must be perpendicular to the outer surface.
The horizontal positioning dimension between the two holes measures 75 mm, corresponding to the wheelbase, and allows mounting of the front and rear wheels.
Engineers use four Φ3 mm holes to mount the gear shaft.
The horizontal spacing between the holes is specified as 19.5 mm, 10.5 mm, and 12.5 mm;
There are also dimensional requirements in the vertical direction, with the distances from the bottom reference line to the four holes being 7.5 mm, 15.5 mm, 3.5 mm, and 6 mm, respectively.
The fit between the holes and the gear shaft is a transition fit to ensure smooth rotation of the gear shaft and to transmit motion to the front and rear wheels via the gears on the shaft.
The outer surface of the support plate contacts the front end face of the wheel shaft, and the outer surface has surface roughness requirements.
Figure 3 shows the part drawing of the front motor housing.

As shown in Figure 3, the front housing of the motor features a simple structure with a compact overall profile and a high material removal rate.
Its external dimensions are 39 mm × 24 mm × 4.5 mm, with a minimum wall thickness of 2 mm and a ring groove thickness of 1.2 mm; different tolerance requirements apply to the thickness limits.
There are two Φ3 mm holes, with a horizontal positioning dimension of 16.5 mm from the center reference.
Additionally, to ensure the motor’s waterproof seal, the fit between the annular groove and the motor housing must meet high requirements for concentricity.
The surface roughness must also meet strict standards to guarantee fitting accuracy.
Analysis of Technical Challenges
Structural analysis of the left drive support plate and the front motor housing reveals that they consist of 6061 aluminum alloy.
This presents the following technical challenges.
1) When machining thin-walled parts, engineers remove all machining allowances from a single side.
This results in high cutting forces that can easily cause warping and deformation of the support plate after CNC machining.
As a key component supporting the gear shaft, the support plate, when in its free state after CNC machining, exhibits a perpendicularity error of 0–0.09 mm between the Φ12 mm hole and the side surface.
This error fails to meet the assembly accuracy requirements of the transmission system.
2) In the machining of thin-walled structures, due to the workpiece’s inherent low rigidity, the wall thickness continuously decreases as the milling volume increases.
Under the action of cutting forces, this easily triggers vibration and deformation, leading to a decline in machining stability.
This makes it more difficult to control the part’s dimensional accuracy, geometric accuracy, and surface quality.
As a result, it poses significant challenges to the smooth execution of the machining process and the assurance of final quality.
3) The front housing of the motor presents significant machining challenges due to its compact contour, annular grooves, and the requirement to machine both the inner and outer surfaces.
On the one hand, selecting and coordinating clamping methods, positioning schemes, machining processes, tool specifications, and cutting parameters is highly complex.
On the other hand, removing a substantial amount of material prolongs machining times and reduces efficiency.
Clamping Methods
When machining thin-walled aluminum alloy parts, such as the left support plate of a transmission and the front housing of a motor, the clamping process presents significant challenges.
This is due to the material’s softness and low rigidity, coupled with high requirements for precision and efficiency.
When using a mechanical vise, excessive clamping force can cause local pressure to exceed the material’s yield strength. This results in plastic deformation, dents, or warping.
Conversely, insufficient clamping force can lead to vibration during machining, making it difficult to ensure the surface quality and dimensional accuracy specified in the drawings.
Additionally, when clamping individual parts, the frequent clamping operations and repeated application of clamping force can cause cumulative deformation.
This results in significant fluctuations in dimensional accuracy.
To address the mismatch between clamping force and part rigidity, this paper adopts a multi-part-on-a-single-blank machining approach, utilizing milling to allow parts to naturally detach.
Machinists machine the left drive support plate, right drive support plate, and two front motor housings from a single blank.
Connecting ribs maintain a rigid connection between the parts and the blank.
Once machinists finish the key features of all parts, they mill away the connecting ribs, allowing the parts to separate naturally.
This method resolves the clamping challenges associated with machining the left and right support plates and the motor front end housings separately.
As a result, it fundamentally mitigates machining quality issues caused by deformation.
Figure 4 shows the multi-part shared blank machining process.

Machining Process
A rational machining process is key to ensuring the dimensional and geometric accuracy of parts, achieving high surface quality, improving production efficiency, and reducing machining costs.
Given the thin-walled structural characteristics of the left and right support plates and the front housing of the motor, this case study selected the KDX650L vertical machining center.
Engineers use this machine for integrated machining to minimize deformation.
This choice minimizes deformation.
Designing a specialized blank connection structure—integrating the parts with the blank via connecting ribs—maintains system rigidity throughout the entire machining process.
1. Traditional Machining Process Routes
Table 1 shows the traditional machining process route for the left drive support plate, and Table 2 shows the route for the front motor housing.
In these traditional machining routes, machinists machine the four parts—the left drive support plate, right drive support plate, and two front motor housings—separately.
Each machining operation consists of two setups.
The machining time for the left drive support plate is 35 minutes. The combined machining time for the left and right support plates is 70 minutes.
The machining time for the motor front housing is 20 minutes. The combined machining time for the two motor front housings is 40 minutes.
Machining these four parts requires 110 minutes, resulting in significant setup time, prolonged machine utilization, low machining efficiency, and high costs.
| Operation No. | Process Name | Process Description | Equipment | Time |
|---|---|---|---|---|
| 0 | Material Preparation | 120 mm × 50 mm × 6 mm blank | KDX650L Vertical Machining Center | — |
| 5 | 1st Setup Rough Machining | Machine reference surface; rough machine top surface | KDX650L Vertical Machining Center | — |
| 10 | 2nd Setup Rough Machining | Rough machine plane, outer contour, and drill holes | KDX650L Vertical Machining Center | — |
| 15 | 2nd Setup Finish Machining | Finish machine plane and outer contour | KDX650L Vertical Machining Center | — |
| 20 | 3rd Setup Finish Machining | Mill off connecting ribs to allow parts to separate naturally | KDX650L Vertical Machining Center | — |
| 25 | Bench Work (Fitting) | Cleaning and deburring | Bench Vise | — |
| 30 | Inspection | Inspect dimensional accuracy | — | — |
Table 1. Traditional Machining Process Route for Left Transmission Support Plate
| Operation No. | Process Name | Process Description | Equipment | Time |
|---|---|---|---|---|
| 0 | Material Preparation | 50 mm × 40 mm × 6 mm blank | KDX650L Vertical Machining Center | — |
| 5 | 1st Setup Rough Machining | Machine reference surface; rough machine top surface | KDX650L Vertical Machining Center | — |
| 10 | 2nd Setup Rough Machining | Rough machine plane, outer contour, and drill holes | KDX650L Vertical Machining Center | — |
| 15 | 2nd Setup Finish Machining | Finish machine plane and outer contour | KDX650L Vertical Machining Center | — |
| 20 | 3rd Setup Finish Machining | Mill off connecting ribs to allow parts to separate naturally | KDX650L Vertical Machining Center | — |
| 25 | Bench Work (Fitting) | Cleaning and deburring | Bench Vise | — |
| 30 | Inspection | Inspect dimensional accuracy | Measuring Tools | — |
Table 2. Traditional Machining Process Route for Motor Front Housing
2. Optimized Machining Process
This paper adopts a machining process involving multiple parts from a single blank, as shown in Table 3.
Engineers formulated a machining plan based on the technical requirements specified in the part drawings.
1) First setup of the blank: Using the 191 mm × 91.5 mm base plane as the positioning reference, they combine multiple parallel shims for positioning.
They clamp the blank in a vise on both sides of the 191 mm × 8 mm edges to rough-machine the top surface and complete the machining of the reference plane.
2) Second clamping for rough machining: Release the part and rotate it 180° along the X-axis.
Reposition and clamp it using the previously machined reference surface.
Rough-machine the outer contours of each component while leaving an allowance.
Rough-mill the internal cavity and drill holes.
3) Second clamping for finish machining: Finish-machine the internal cavity and outer contours.
Finish-machine critical surfaces to ensure the accuracy of mating surfaces and reference surfaces.
4) Third setup for rough machining: Cut off all connecting webs to allow the parts to fall out naturally.
| Operation No. | Process Name | Process Description | Equipment | Time |
|---|---|---|---|---|
| 0 | Material Preparation | 191 mm × 91.5 mm × 8 mm blank | KDX650L Vertical Machining Center | — |
| 5 | 1st Setup Rough Machining | Machine reference surface; rough machine top surface | KDX650L Vertical Machining Center | — |
| 10 | 2nd Setup Rough Machining | Rough machine plane, outer contours, and drill holes | KDX650L Vertical Machining Center | — |
| 15 | 2nd Setup Finish Machining | Finish machine plane and outer contours | KDX650L Vertical Machining Center | — |
| 20 | 3rd Setup Rough Machining | Mill off connecting ribs to allow parts to separate naturally | KDX650L Vertical Machining Center | — |
| 25 | Bench Work (Fitting) | Cleaning and deburring | Bench Vise | — |
| 30 | Inspection | Inspect dimensional accuracy | Measuring Tools | — |
Table 3. Machining Process Route for Multi-Part Shared Blank
This multi-part machining process on a single blank is based on the core principle of maintaining part rigidity through staged operations.
Following the sequence of “roughing before finishing, primary features before secondary features, and finally cutting the connecting ribs,” the process achieves process consolidation through three setups.
This efficiently completes the machining of the four parts.
The connecting rib structure is key to this process. It provides reliable support during machining and facilitates easy separation after machining.
It also meets the requirements of preventing deformation during machining and leaving no residue upon separation.
This approach reduces the total machining time for the four parts to 50 minutes, significantly shortening auxiliary processing time and improving machining efficiency.
At the same time, the process optimization embodies the principles of green manufacturing.
It reduces energy consumption while ensuring quality and achieves the goals of energy conservation and emission reduction.
Tool Selection
Given the characteristics of 6061 aluminum alloy (hardness approximately HB100) and the thin-walled structure of the workpiece, the cutting tools must meet several requirements.
The minimum wall thickness is 1.5 mm for the left and right support plates, and 2 mm for the front housing of the motor.
Engineers should **limit** cutting forces, ensure smooth chip evacuation, minimize tool sticking, and select tools suitable for high-density machining of multiple parts.
Therefore, while meeting the technical requirements of the drawings, tool selection must follow the “roughing first, finishing later” machining principle, taking into account both machining efficiency and cost-effectiveness.
Considering these factors, engineers use a Φ21 mm disc cutter for rough machining in the first setup.
They use a Φ6 mm end mill and a Φ3.3 mm drill for rough-finish machining in the second setup.
In the third setup, they use a Φ10 mm chamfering cutter to mill off the connecting ribs.
Toolpaths and Cutting Parameters
Based on the structural characteristics of thin-walled aluminum alloy parts and machining experience, it is important to control machining deformation and vibration.
To ensure machining quality, it is advisable to use specific process parameters.
These parameters include high spindle speed, low feed rate, and shallow cutting depth.
Engineers analyzed the multi-part blank, taking into account the assembly requirements of the left and right support plates and the front motor housing within the transmission system.
Based on this analysis, they automatically generated the CNC program using the UG 12.0 machining module.
They also prepared the corresponding detailed operation cards, as shown in Table 4.
| Step | Machining Content | Tool Path Strategy | Tool Specification | Spindle Speed (r/min) | Feed Rate (mm/min) | Cutting Depth (mm) | Step-over (mm) | Allowance (mm) |
|---|---|---|---|---|---|---|---|---|
| 1 | First clamping rough machining: Datum surface roughing | Contour milling with boundary | Ø21 mm face mill | 4000 | 600 | 0.5 | 0.9 | 0 |
| 2 | Second clamping rough machining: Outer contour roughing | Planar contour milling | Ø6 mm end mill | 5000 | 1200 | To bottom surface of part | — | Side: 0.1, Bottom: 0.2 |
| 3 | Second clamping rough machining: Surface roughing | Pocket milling | Ø6 mm end mill | 5000 | 1200 | 5 | 0.9 | Side: 0.1, Bottom: 0.2 |
| 4 | Second clamping rough machining: Drilling | Drilling | Ø3.3 mm drill | 4000 | 50 | 4 | — | — |
| 5 | Second clamping finishing: Surface finishing | Contour milling with boundary | Ø6 mm end mill | 4000 | 600 | 0.1 | 0.6 | 0 |
| 6 | Second clamping finishing: Outer contour finishing | Planar contour milling | Ø6 mm end mill | 4000 | 600 | To bottom surface of part | 0.2 | Side: 0.1, Bottom: 0.2 |
| 7 | Third clamping rough machining: Chamfering and rib separation | Reverse milling chamfer | Ø10 mm chamfer tool | 5000 | 600 | 0.2 | 0.6 | 0 |
Table 4: CNC Machining Process Card for Multi-Part Common Blank
Measures to Prevent Deformation
To control deformation during the machining of multiple parts from a single blank, this process employs a systematic control strategy.
Engineers implement comprehensive control throughout the entire process—with process rigidity as the core principle—covering blank selection, web design, clamping area planning, cutting parameter optimization, adequate cooling, and part separation.
This approach effectively minimizes deformation caused by clamping and cutting, thereby ensuring the dimensional accuracy and surface quality of the parts.
Raw Material Selection: Engineers use a 191 mm × 91.5 mm × 8 mm sheet of 6061 aluminum alloy, with the maximum thickness of the front motor housing measuring 4.5 mm.
They determine the raw material thickness by adding a machining allowance of 2–5 mm to the part’s maximum wall thickness, resulting in a final thickness of 8 mm, as shown in Figure 5.


Engineers design the connecting ribs between the left and right support plates and the two front motor housings with a thickness of 0.3 mm and a width of 3–5 mm to balance support strength during machining with ease of final separation.
These are all positioned on the non-critical surfaces (edge surfaces) of the part.
This effectively avoids critical assembly areas, such as the outer mating surfaces of the left and right support plates (which mate with the front end of the wheel axle) and the annular groove sealing mating surfaces of the motor front end housing, as shown in Figure 6.

The final step involves cutting the connecting ribs to allow the parts to fall off naturally.
This process uses a chamfering tool with a larger diameter to perform “horizontal circular cutting” along the base of the ribs and completes the separation using a “reverse cutting” method, as shown in Figure 7.

The cutting force in this method is primarily directed toward the aluminum alloy sheet substrate, significantly reducing warping and deformation caused by stress during the cutting process.
Additionally, since the tool enters from the inner side of the part, the part’s own rigidity helps offset part of the cutting force, enabling stable control of the cutting process.
This avoids the “part bounce” issue common in traditional forward cutting and ensures a flat cut surface free of protruding residues.
After cutting, the part naturally falls beneath the worktable under the force of gravity; a cushioning pad must be placed in advance to prevent deformation from impact.
Subsequently, deburring and part inspection are performed.
Burrs often remain at the base of the connecting ribs; after the part falls, these must be removed with a file.
The part’s dimensional accuracy, the perpendicularity of the support plate, and the concentricity of the motor front housing must then be inspected to ensure compliance with the drawing’s precision requirements.
Simulation Verification and CNC Machining
Using the simulation module based on UG 12.0, the toolpaths were thoroughly verified.
The simulation results showed that during machining, the tool maintained a safe distance from the part, fixture, and blank, with no collisions, overcutting, or abnormal deformation occurring.
During the web cutting stage, the toolpath followed the preset guide slot without cutting into the main body of the part.
During the second setup, the tool movement paths during tool changes for roughing and finishing operations all avoided the workpiece and vise.
The entire machining process was safe and reliable.
The virtual simulation fully replicated the machining workflow for multiple parts on a single blank.
It effectively identified and mitigated potential risks in advance, thereby preventing workpiece scrap caused by interference or overcutting during actual machining.
Following simulation verification, CNC programs were generated using UG 12.0 post-processing and transmitted via an Ethernet cable to the KDX650L vertical machining center using the ftpserv plugin.
The actual machining took approximately 50 minutes, successfully completing the processing of the left and right support plates and the two motor front housings.
The machined parts are shown in Figure 8.

The machining results demonstrate that this multi-part shared blank machining scheme is well-designed, with concentrated processes that significantly improve production efficiency.
It also achieves the goals of energy conservation, reduced consumption, and green manufacturing.
The dimensional, geometric, and positional accuracies of all parts meet the assembly requirements of the transmission system.
Conclusion
This study addresses the challenges of deformation and low machining efficiency in thin-walled aluminum alloy parts by proposing a milling solution based on a multi-part shared blank.
Taking the left and right support plates of a transmission system and the front housing of a motor as examples, a complete process route and operation sheet were developed.
Using the CAM module in UG 12.0, toolpath planning and simulation verification were performed, and the post-processed CNC program was executed on a KDX650L vertical machining center.
By designing connecting ribs to maintain a rigid connection between the parts and the blank throughout the machining process, cutting forces were effectively distributed.
This resolved the issue of plastic deformation commonly associated with the clamping of individual thin-walled parts.
This approach significantly improved machining efficiency, ensured consistency among multiple parts, and provided valuable insights for the process planning of similar thin-walled plate components.