cylogo2

C-YCNC

Oil Manifold Machining Optimization: High-Precision CNC Manufacturing and Process Improvement Strategies

Table of Contents

The oil manifold shown in Figure 1, also known as a valve block, has specific dimensional requirements.

The perpendicularity between two adjacent faces must be ≤ 0.02 mm per 100 mm.

The parallelism of parallel surfaces should be within 0.03 mm.

Additionally, the perpendicularity of threaded holes to the base surface must have an error of ≤ 0.05 mm.

It is a complex component used to control the operation of hydraulic oil in mechanical equipment or hydraulic systems.

This valve block connects, transmits, and regulates oil flow through its network of holes.

It has high requirements fr surface roughness, geometric tolerances, and dimensional tolerances.

Its main characteristics include numerous technical requirements and high overall precision.

It has a complex spatial structure and requires frequent re-clamping.

These factors make it a typical high-precision part with an intersecting hole network.

During the machining process of oil block components, there is a significant amount of auxiliary time, resulting in low machining efficiency.

Operators often misread drawings, and they frequently mount workpieces incorrectly, which somewhat reduces the machining efficiency and quality of oil block components.

Figure 1 Oil Block
Figure 1 Oil Block

Methods and Measures

  • Adopting Multi-Station Clamping

In actual production, most hydraulic manifold blocks require machining on multiple surfaces.

With a large number of holes, the number and variety of tools required for machining are also high, leading to lengthy tool preparation times.

Additionally, frequent workpiece clamping and alignment, as well as coordinate origin setting, are necessary.

This results in very short machining times for parts but very long auxiliary times, severely affecting machining efficiency.

The speed at which operators clamp and align workpieces largely determines production efficiency; faster operations increase production efficiency.

To address this issue, a multi-station vise (see Figure 2) can be used for clamping.

Figure 2 Multi station vise
Figure 2 Multi station vise

The vise has eight stations, so operators can clamp eight oil manifold blocks simultaneously.

Alternatively, they can easily modify electro-permanent magnetic chucks and vacuum chucks.

This is done by pre-machining multiple sets of equidistant locating holes on their surfaces.

Operators then insert locating pins into these holes to position and clamp the workpiece.

The clamping of electro-permanent magnetic chucks or vacuum chucks is shown in Figure 3.

Figure 3 Schematic of clamping using an electromagnets permanent magnet chuck or a vacuum chuck
Figure 3 Schematic of clamping using an electromagnets permanent magnet chuck or a vacuum chuck

Before machining, use a dial indicator to accurately measure the dimensional relationships between each station.

During machining, a single coordinate origin can be set.

Coordinate translation, incremental feeding, or subroutine programming is then used to complete the machining of multiple parts in a single setup.

This significantly increases the machine tool’s effective cutting time and reduces auxiliary time, thereby enabling batch clamping and machining of oil manifold blocks.

  • Utilizing Online Automatic Inspection Technology

During machining, auxiliary operations take up a significant portion of the process.

These operations include stopping the machine to set the coordinate origin on the oil block and performing manual dimensional measurements.

They have a considerable impact on production efficiency.

Most companies’ existing CNC equipment does not offer high automation or intelligence, and most machines lack automatic inspection capabilities.

Operators or inspectors can determine whether a part’s dimensions meet specifications only after completing machining through manual inspection.

Once operators discover a non-conforming part, they cannot salvage it through tool compensation.

Inspection results are subject to significant human intervention, which has a certain impact on product quality.

The application of online automatic inspection technology in oil block machining is therefore essential, and the specific process is as follows.

1) The operational status of the external inspection equipment is shown in Figure 4.

Operators introduce hardware such as a probe and an infrared receiver.

Operators mount the probe, specifically a ruby probe (see Figure 4), on the machine tool spindle.

The infrared receiver, which emits bright red light (see Figure 4), is also part of the setup.

Figure 4 Operating Status of the External Detection Device
Figure 4 Operating Status of the External Detection Device

2) Compile and develop an automatic inspection macro program, then load it into the CNC system.

Measuring two φ10 +0.020 mm holes and their center distance (28.8 ± 0.026 mm) as an example, this section provides a brief introduction.

It describes an online automatic measurement CNC program with alarm functionality.

Part of the automatic inspection program and its explanations are shown in Table 1.

Program SegmentDescription
T11 M6 (CE TOU)Adjust probe head
#650=0.002Measure deviation (allowable error value)
#651=10+0.022+#650Maximum limit size of Hole 1
#652=10+0.4650Minimum limit size of Hole 1
#653=10+0.022+#650Maximum limit size of Hole 2
#654=10+0.4650Minimum limit size of Hole 2
#655=28.8+0.026+#650Maximum hole distance
#656=28.8-0.026+#650Minimum hole distance
M55Probe off
G04 X0.05Pause
M54Probe on
G04 X0.05Pause
M19Spindle orientation
G54 G0 G90 X-14.552 Y-11.5Rapid move to Hole 1 center
G43 H1 Z100
#641=1Output measurement result; 0 = qualified, 1 = out of tolerance
#642=1Same as above
#643=1Same as above
IF [#692 GT 700] GOTO51On second run, skip initialization if #692 not reset
#692=700Amplification factor; reset to 700
N51
G65 P9810 Z1.5 F3000Move to Z=1.5 protection position, feed rate F3000
G65 P9810 Z-0.7Move to Z=-0.7 protection position
G65 P9814 D10.8-0.5Measure Hole 1
#692+1=#138Store Hole 1 diameter in #701
#31=#135Store Hole 1 center coordinates in #31
G65 P9810 Z20Move to Z20 protection position
G65 P9810 X14.248 Y-11.5Move to Hole 2 center
G65 P9810 Z-0.7Move to Z=-0.7 protection position
G65 P9814 D10.8-0.5Measure Hole 2
#692+2=#138Store Hole 2 diameter in #702
#32=#135Store Hole 2 center coordinates in #32
G65 P9810 Z60Move to Z60 protection position
#[#692+3]=ABS[#32-#31]Calculate hole distance and store in #703
G91 G28 Z0Return Z-axis to reference point
M55Probe off
IF [[#692+1] GE #652] AND [[#692+1] LE #651] THEN #641=0Compare Hole 1 size with limits; set result (0=OK, 1=NG)
IF [[#692+2] GE #654] AND [[#692+2] LE #653] THEN #642=0Compare Hole 2 size with limits
IF [[#692+3] GE #656] AND [[#692+3] LE #655] THEN #643=0Compare hole distance with limits
#692=#692+4Reset/advance variable #692
#644=#641+#642+#643Aggregate result
IF [#644 EQ 0] GOTO52If all qualified, jump to next step
#3000=33 (CHI CUN CHAO CHA)Alarm output: dimension out of tolerance
N52
M30End of program

Table 1 – Selected Automatic Inspection Procedures and Their Explanations

3) During measurement, data is collected using the probe tip and an infrared receiver.

The operating state of the probe is shown in Figure 5.

When the measuring ball contacts the measurement area of the workpiece, it accurately captures the coordinate data of the contact point with a repeatability of 0.001 mm.

The probe then sends a signal to the infrared receiver, and the machine tool’s CNC system immediately captures and rapidly records the coordinate data of the current contact point.

The CNC system calculates and analyzes this data by calling a macro program.

Figure 5 Probe Operating Status
Figure 5 Probe Operating Status

4) CNC Automatic Measurement and Coordinate Alignment System

By utilizing the read and write functions of programmable data in CNC equipment, measurement results can be stored in system variable registers.

This enables automatic coordinate system alignment and automatic origin setting.

It also allows for the automatic measurement of dimensions, such as hole diameter and hole spacing.

The system displays the measurement results, as shown in Figure 6, and stores them in the equipment’s user macro programs, such as 701, 702, and 703 in Figure 6.

Figure 6 The measurement results show
Figure 6 The measurement results show

5) CNC Online Inspection with Tool Wear Compensation and Alarm System

The online inspection system can effectively determine whether dimensions are out of tolerance based on specified tolerance ranges and tool wear criteria.

It can automatically compensate for tool wear. In the event of excessive wear, the system can trigger a shutdown and alarm.

The abnormal alarm display is shown in Figure 7.

Figure 7 Fault Alarm Display
Figure 7 Fault Alarm Display
  • Using 3D Printing Technology for Error Prevention and Correction

Due to the complex structure and wide range of dimensions of oil block assemblies, process drawings often include numerous local, rotated, and stepped sectional views.

These features make the drawings difficult to interpret.

During the machining process, process engineers and operators are prone to misreading drawings.

They may also mount workpieces incorrectly or reverse the machining sequence.

These mistakes often lead to many basic quality issues.

Operators should implement measures to prevent and correct errors, thereby reducing mistakes in clamping and machining oil manifold blocks.

Using a 3D printer with plastic filament, they can print a 1:1 scale model of the part (see Figure 8).

Operators can then verify the clamping orientation, determine the machining sequence, and inspect dimensional features against the 3D model before commencing actual machining.

Figure 8 3D printed model
Figure 8 3D printed model
  • Optimizing Process and Operation Design

1) Single-Setup Multi-Process Machining Strategy for Oil Blocks

During process design, priority should be given to the use of multi-functional equipment and the consolidation of operations, striving to complete processes such as milling, drilling, reaming, and tapping in a single setup.

These factors play a decisive role in the machining quality and efficiency of oil block components.

2) Cutting Tool Selection for High-Precision Oil Block Machining

Since the geometric tolerances between surfaces directly determine the machining accuracy of the oil block’s bore system, these tolerances are critical.

The machining of oil blocks is therefore highly dependent on the material and precision of the cutting tools.

Operators need high-quality, high-precision face and bore machining tools of appropriate specifications.

Whenever possible, they should select carbide cutting tools.

This helps achieve lower surface roughness and higher precision in straightness, perpendicularity, and flatness for the machined surfaces and holes.

High-speed steel (HSS) cutting tools may be used as a secondary option.

3) Single-Direction CNC Toolpath for High-Precision Hole Positioning

For parts with hole patterns requiring high hole spacing accuracy, CNC programs should be written to employ a single-direction fixed-point positioning toolpath.

This approach eliminates backlash errors in the X and Y axes of the CNC machine tool, thereby achieving high hole spacing positioning accuracy.

Figure 9 illustrates single-direction positioning.

Figure 9 Schematic of Unidirectional Positioning
Figure 9 Schematic of Unidirectional Positioning

4) Machining Sequence Optimization for Oil Manifold Hole Systems

It is crucial to properly plan the machining sequence for the various surfaces and holes on the oil manifold block, as this directly affects part quality, tool safety, and machining efficiency.

① Impact of Machining Sequence on Accuracy and Tool Safety

The surfaces and holes machined first must not interfere with the machining of subsequent elements, to avoid affecting the clamping, alignment, and machining quality of later operations.

An improper machining sequence can result in hole diameters exceeding tolerances or misalignment of hole positions.

In the worst case, it can cause the drill bit to break, rendering the workpiece scrap.

② Deep Hole Machining Challenges and Multi-Stage Drilling Process

The machining of deep holes (depth-to-diameter ratio ≥ 5) is affected by poor chip evacuation and difficulty in cooling.

These conditions make the process prone to issues such as drill bit tilting, breakage within the hole, and hole diameter enlargement.

Since operators cannot fully machine these holes in a single pass, they first pre-drill them to a depth of approximately 30 mm.

They then transfer the workpieces to equipment such as radial drill presses, bench-type drill presses, or horizontal boring machines for final machining.

③ Orthogonal Hole Machining Strategy and Tool Path Sequencing

For orthogonal holes, the larger hole is generally machined first, followed by the smaller one.

Operators should use a carbide drill bit to machine through holes in a single pass.

This helps avoid drill bit tilting or breakage inside the hole during a second drilling operation.

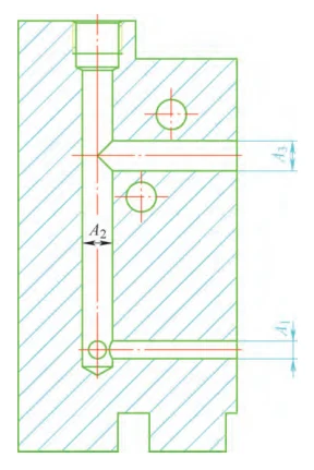
Taking the hole system shown in Figure 10 as an example, the diameters of Holes 1, 2, and 3 are A1, A2, and A3, respectively.

The three holes are interconnected, with Hole 2 serving as the main through hole, having a depth of 130 mm.

If Holes 1 and 3 were machined first, the drill bit for Hole 2 could tilt or break while passing through the areas of Holes 1 and 3; therefore, Hole 2 should be machined first.

Since Hole 2 is 130 mm deep—a typical deep hole—operators cannot machine it to full depth in a single operation.

It should first be pre-drilled to a depth of 30 mm and then transferred to a drill press for final machining.

After completing Hole 2, Holes 1 and 3 can be machined.

Specific Machining Sequence

The specific machining sequence is as follows:

1. Use a center drill on the CNC milling machine to drill the center holes for Hole 2.

2. Use a short drill bit to drill Hole 2 to a depth of 30 mm.

3. Use a long drill bit to drill Hole 2 to its full depth of 130 mm.

4. Use a center drill on the CNC milling machine to drill the center holes for Holes 1 and 3.

5. Use a drill bit to machine Holes 1 and 3.

Figure 10 Cross sectional view of the borehole system
Figure 10 Cross sectional view of the borehole system
  • Optimizing the Design of Process Documentation

1) In addition to the standard three-view drawings, CAD plans for complex oil block assemblies often include numerous sectional views.

These views illustrate the position, depth, and specifications of each hole, which makes the drawings difficult to interpret.

A 3D process diagram can be created based on the workpiece’s machining sequence and CAD drawings of each machining step (see Figure 11).

The diagram indicates 3D dimensions, clamping positions, and coordinate origins. It is then attached to the process drawings.

Compared to 2D drawings, 3D diagrams are more intuitive and visually representative.

Figure 11 3D Diagram of Process Steps
Figure 11 3D Diagram of Process Steps

2) For parts with complex structures and numerous dimensions, such as oil manifold blocks, dimensional reference notation and standardized labeling can be implemented.

This approach facilitates the distinction of hole sizes and the annotation of coordinate values (see Figure 12).

This prevents misidentification of hole diameters and errors in coordinate calculations.

Programming engineers can directly input and write CNC machining programs based on the drawing annotations, thereby reducing the occurrence of various human errors.

Figure 12 Schematic showing dimensional reference annotations and standardized labeling for identical hole diameters
Figure 12 Schematic showing dimensional reference annotations and standardized labeling for identical hole diameters

3) The development and use of standard operating procedures (SOPs) can improve the efficiency and quality of oil manifold machining while reducing errors.

Correct and well-designed CNC programs are a prerequisite for producing qualified oil manifolds.

Operators should promptly document and archive verified and optimized CNC programs for future use, thereby avoiding repetitive programming, debugging, and verification.

fter machining a part, they must document and compile key details.

These include the machining methods optimized for each surface, tool specifications, clamping methods, cutting parameters, and precautions.

Operators incorporate the information into standard operating procedures (SOPs) for future reference, enabling smoother subsequent machining operations.

Machining Precautions

Oil manifold components have strict requirements regarding surface roughness, flatness, and other factors.

Operators must thoroughly wipe all surfaces of the workpiece and fixtures clean before machining.

After machining, they must chamfer the external edges of the valve block and remove all burrs until the surface feels smooth to the touch.

All surfaces of the part must be free of cosmetic defects such as dents, scratches, chipped corners, and burrs.

Operators must carefully protect parts during transportation and machining. They should place each valve block individually in a soft packaging box.

This prevents dents, scratches, or other damage to the surface of the valve block.

Operators must use high-pressure internal cooling when machining internal holes, especially deep holes.

This effectively reduces the temperature of the cutting tool and workpiece inside the hole.

It also promptly flushes out accumulated chips.

This achieves rapid cooling and chip removal, ensuring smoother machining and preventing abnormalities such as drill breakage or hole diameter deviations.

During machining, ensure a sufficient and continuous supply of cutting fluid to maintain stable temperatures throughout the process.

If conditions permit, consider using minimal quantity lubrication (MQL). Manufacturers widely use MQL as a semi-dry cutting method.

It mixes a small amount of non-polluting oil mist into compressed air to cool, lubricate, and remove chips from the cutting zone.

It reduces friction between the tool and chips, as well as between the tool and the workpiece, within the bore, and significantly lowers the temperature in the cutting zone.

This method plays a significant role in extending tool life and improving machining quality.

Conclusion

This paper discusses the machining characteristics of oil manifold components and proposes process improvement strategies.

By implementing these measures and methods, we successfully addressed numerous challenges encountered during the machining of oil manifold components.

This has significantly improved both machining quality and efficiency.

This has enabled us to achieve our goals of mass production and rapid assembly and disassembly.

It also helps prevent errors and enhances both quality and efficiency.

Additionally, it provides valuable insights for the machining of the company’s other products.

 
Scroll to Top