cylogo2

C-YCNC

TC4 Titanium Alloy Welding Process: Manufacturing, Heat Treatment, and Quality Control

Table of Contents

The development and production of the Ti6Al4V (TC4) titanium alloy began in the early 1960s.

It is now widely used in the aerospace industry, such as in aircraft engine fans, compressor discs, and blades, as well as in various load-bearing structural components (such as beams, frames, joints, and fasteners).

TC4 titanium alloy exhibits excellent corrosion resistance in high-temperature environments, with a very slow oxidation rate at temperatures below 500°C.

It demonstrates particularly strong corrosion resistance in seawater, salt spray, and acidic or alkaline environments.

In marine exploration and offshore engineering, titanium alloys have become the ideal material for marine engineering equipment due to their corrosion resistance, high strength, low density, and non-magnetic properties.

Their applications include nuclear submarines, deep-sea submersibles, ship propellers, coolers, sonar radomes, and mining vehicles, significantly improving the performance and service life of underwater marine equipment.

This paper discusses the machining and manufacturing of a TC4 titanium alloy structural component, which serves as a support for a certain underwater device.

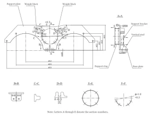
The main body of the component is 20 mm thick and weighs 55 kg, with its structure shown in Figure 1.

In the past, such thick-walled, complex titanium alloy structural components were typically produced by casting.

However, cast materials have lower strength and toughness and are prone to internal defects such as porosity, making it difficult to meet the requirements for high strength and high reliability.

This paper aims to explore the welding manufacturing process for such structural components, utilizing conventional sheet metal welding.

This approach offers improved economic efficiency, strength, and reliability compared to casting methods.

Based on the component’s operating environment and strength requirements, the material selected is annealed TC4 titanium alloy plate, which complies with the GB/T 3621—2022 standard.

This structural component features a complex geometry, significant wall thickness, and strict geometric and dimensional tolerances.

As it is a load-bearing component, full penetration must be achieved in all welds.

Figure 1 Schematic diagram of structural components (Unit mm)
Figure 1 Schematic diagram of structural components (Unit mm)

This paper examines the manufacturing process for such welded structural components from the perspectives of quality assurance measures, welding procedures, and post-weld inspection.

It addresses technical challenges such as welding distortion, weld quality assurance, and dimensional and geometric tolerance control, thereby identifying a feasible manufacturing approach for this type of equipment.

Process Control Measures

  • Manufacturing Environment

Equipment manufacturing must be conducted in a cleanroom, and the welding environment must undergo a phenylenediamine test.

The designated work area should be covered with rubber or wooden boards to prevent scratches or abrasions on the titanium surface.

A dedicated storage area must be established for titanium components, and they must not be stored together with steel components.

Throughout the entire construction process, care must be taken to prevent contamination of the titanium material by harmful metals such as iron ions and dust; the surface should be covered with clean protective sheeting.

Additionally, a leveled platform suitable for the equipment dimensions must be prepared.

The work area must be kept clean and dry, with strict dust control and adequate ventilation.

Personnel must wear neat attire, and those performing assembly, welding, and other processes must wear clean gloves.

When using tools, fixtures, and processing equipment, iron ions and other contaminants must be avoided.

Every stage of the manufacturing process must prevent iron ion contamination of the titanium surface.

  • Manufacturing Process

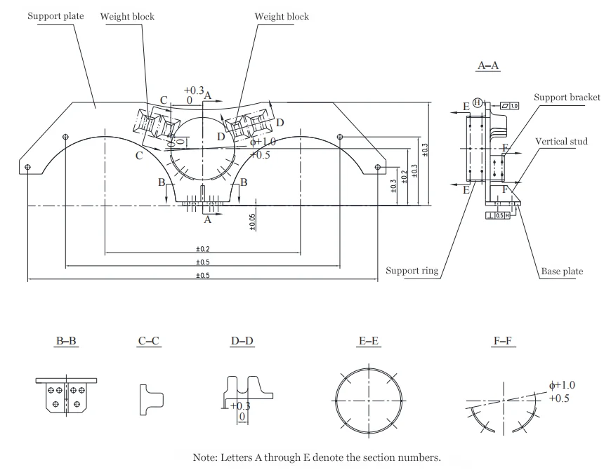
This structural component primarily consists of a support plate, load-bearing block, support arc plate, and support ring.

The manufacturing process is as follows: the parts are assembled on a workbench and spot-welded; measures are taken to prevent deformation, and the assembly is welded into shape; after assembly welding, stress-relief heat treatment is performed; finally, the component undergoes finishing and shaping.

The machining processes for each structural component are as follows:

The machining process for the support plate is: CNC laser cutting (allowing for secondary machining allowance based on part contours) → groove preparation → dimensional inspection.

The load-bearing block process flow is: CNC laser cutting (allowing for secondary machining allowance based on part contours) → dimensional inspection; the support arc plate process flow is: CNC laser cutting (allowing for secondary machining allowance based on arc plate thickness) → planing of four edges and groove preparation → arc rolling → marking → drilling → dimensional inspection;

The manufacturing process for the support ring is as follows: CNC laser cutting (allowing for secondary machining allowance based on the support ring thickness) → planing all four edges and machining the bevel → roll forming → longitudinal seam welding → rounding → Radiographic (RT) + Ultrasonic (UT) + Penetrant (PT) testing → turning the inner and outer diameters and straight-end bevels → marking → drilling → dimensional inspection.

Welding Process Specifications

  • Selection of Welding Methods

The welding methods suitable for TC4 titanium alloy include tungsten inert gas (TIG) welding, deep penetration TIG welding, vacuum electron beam welding, and laser welding.

(1) Tungsten Inert Gas (TIG) Welding: Process, Advantages, and Limitations

Tungsten Inert Gas (TIG) Welding: Argon gas effectively isolates the weld joint from the surrounding atmosphere, and since argon is insoluble in metal, combined with the stable nature of the tungsten arc, the heat source and filler wire can be controlled separately.

As the filler wire does not carry an electric current, it is easy to control metallurgical reactions during the welding process, and no spatter is produced, resulting in high-quality welds.

When performed correctly, this process can achieve single-sided welding with double-sided finish, resulting in an aesthetically pleasing weld bead.

The disadvantages include the tungsten electrode’s limited current-carrying capacity, relatively low deposition rate, shallow penetration, low productivity, and the high cost of argon gas.

(2) Deep Penetration TIG (K-TIG) Welding: Features, Advantages, and Limitations

Deep Penetration Tungsten Inert Gas Welding (K-TIG) combines the high weld quality and cleanliness of TIG welding with high heat input energy density, a concentrated arc, and strong penetration.

It allows for single-pass penetration of medium-to-thick plates without grooving, achieving single-sided welding with double-sided formation and high welding efficiency, making it particularly suitable for medium-to-thick plate welding.

The disadvantage is that it is not suitable for small, short welds or multi-position welding.

(3) Vacuum Electron Beam Welding: Advantages and Limitations

 

Vacuum electron beam welding delivers excellent metallurgical quality and produces narrow welds.

It achieves a high depth-to-width ratio and minimal angular distortion. It forms a fine grain structure in both the weld and the heat-affected zone (HAZ).

Superior overall joint performance is ensured, and atmospheric contamination in the weld and HAZ is prevented.

It also achieves high efficiency when welding thick sections.

Vacuum electron beam welding has several disadvantages. It can produce porosity in the weld and generate high residual stress in the joint.

Structural dimensions remain limited by the vacuum chamber, and the process does not suit mass production.

The technology also requires complex and expensive equipment, strict joint machining and assembly accuracy, and faces susceptibility of the electron beam to stray electromagnetic interference.

In addition, the process demands strict protection against X-rays generated during welding.

(4) Laser Welding: Pros, Cons, and Process Selection Comparison

Laser welding offers strong environmental adaptability, high weld quality, high efficiency, minimal distortion, and a clean, efficient process without the use of electrodes;

Disadvantages include a tendency for defects such as weld overflow and weld deviation, high requirements for assembly precision,

high operational difficulty, and high equipment costs. This structural component has a complex shape, with welds primarily consisting of short fillet welds on medium-to-thick plates.

After a comprehensive comparison of weld performance, convenience, operability, and cost-effectiveness, manual tungsten inert gas (TIG) welding was selected for the application.

  • Welded Structure Design

The design of welded structures adheres to the following principles:

Weld locations should be symmetrical relative to the neutral axis of the member’s cross-section to avoid excessive concentration; the length, number, and dimensions of welds should be selected appropriately while ensuring sufficient strength.

Weld grooves should be designed to minimize the cross-sectional dimensions of the weld while ensuring adequate strength.

Since the load-bearing block is a critical load-bearing component, the welds connecting it to the support plate must be fully penetrated.

Load-Bearing Block Connection Design

Due to the considerable thickness of the load-bearing block—with a minimum thickness of 40 mm—its connection to the support plate is designed as an insert-type structure:

through holes are machined in the support plate according to the shape and dimensions of the load-bearing block, and the groove is set on the support plate and symmetrical along the plate’s wall thickness, resulting in a butt weld between the load-bearing block and the support plate, as shown in Figures 2 and 3.

Support Ring and Support Arc Plate Connection Requirements

The connection structure between the support ring, the support arc plate, and the support plate requires both full penetration welding and the assurance of coaxiality between the centerline of the support ring and the center hole of the support plate.

To achieve this, a 4 mm high centering shoulder is machined on the end of the support ring and the support arc plate on the side facing the support plate assembly.

A tolerance is set between the outer diameter of the shoulder and the center hole of the support plate to ensure a clearance of <0.2 mm, as shown in Figures 4.

The connection structure between the base plate and the support plate is shown in Figure 5.

Figure 2 Welded structure of the load bearing block and support plate (C–C section)
Figure 2 Welded structure of the load bearing block and support plate (C–C section)
Figure 3 Welded structure of the load bearing block and support plate (D–D section)
Fig 3 Welded structure of the load bearing block and support plate (D–D section)
Figure 4 Welded structure of the support arc platesupport ring and support plate
Figure 4 Welded structure of the support arc platesupport ring and support plate
Figure 5 Welded structure of the base plate and support plate
Fig 5 Welded structure of the base plate and support plate
  • Welding Preparation and Protection

Due to titanium’s high chemical reactivity, it is easily contaminated by impurities and oxides, which can significantly reduce the plasticity and toughness of the weld joint or even cause cracking.

Therefore, prior to welding, the base metal surface within a 50 mm radius of the groove must be ground to remove the oxide layer, and the groove and welding wire surfaces must be cleaned with ethanol to remove oil and other contaminants.

Cleaning operations and the welding process should be conducted in a clean, dry, dust-controlled, and contamination-free isolated area.

Environmental Control Requirements

Effective protective measures must be taken if any of the following conditions are present in the welding environment; otherwise, welding is prohibited:

(1) Wind speed > 1.5 m/s during gas shielded welding;

(2) Relative humidity > 80%;

(3) Outdoor work without rain or snow protection (during rainy or snowy weather);

(4) Workpiece temperature below 0 °C.

Welding Process Control and Heat Management

Titanium has a very high welding temperature (reaching 1000–1500 °C) and is chemically reactive, making it prone to reacting with oxygen, hydrogen, and nitrogen during the welding process.

Appropriate welding procedures should be adopted, using the lowest possible heat input, and strictly controlling the interpass temperature to ≤100 °C. Welding parameters are shown in Table 1.

Shielding Gas and Thermal Protection Measures

Protection during the welding process is critical; argon gas with a purity of 99.99% and a dew point below −40 °C is used as the shielding gas.

To ensure adequate protection of the weld, specially designed copper shields (see Figures 6 and 7) are used to shield both the front and back of the weld; both the shields and the welding torch are equipped with internal cooling water lines to maintain the temperature below 250 °C.

After welding, argon gas shielding must continue until the weld has completely cooled.

Mechanical Performance Evaluation

The mechanical properties of the welded joint and base metal are shown in Table 2.

Welding MethodFiller Material Diameter (mm)Current Type & PolarityWelding Current (A)Arc Voltage (V)Welding Speed (cm/min)Gas Flow Rate (L/min)
Aluminum Plate Argon Arc WeldingΦ2.4DC Straight Polarity (DCEN)140–22014–227–1515

Table 1. Welding Process Parameters

LocationTensile Strength (MPa)Impact Toughness (J)Vickers Hardness (HV)Bend Test Result (α = 180°, D = 160 mm)Radiographic Inspection
Base Metal92540303No cracks, folding, porosity, lack of fusion, shrinkage cavity, metallic or non-metallic inclusions, or other visible defects in the weld area
Weld Seam5732No cracksFull penetration at root; no cracks, porosity, gas holes, incomplete fusion, or other defects
Fusion Line98337361No cracksFull penetration at root; no cracks, porosity, gas holes, incomplete fusion, or other defects
2 mm from Fusion Line28369No cracksFull penetration at root; no cracks, porosity, gas holes, incomplete fusion, or other defects
5 mm from Fusion Line30368No cracksFull penetration at root; no cracks, porosity, gas holes, incomplete fusion, or other defects

Table 2. Mechanical Properties of Welded Joints and Base Metal

Figure 6 Butt Weld Shield
Figure 6 Butt Weld Shield
Figure 7 Corner Weld Shield
Figure 7 Corner Weld Shield
  • Measures to Prevent Welding Distortion

Titanium has a high coefficient of linear expansion and relatively low elastic modulus and plasticity, making it more prone to distortion during welding compared to steel.

Therefore, the following measures must be taken to control distortion.

(1) Preheating:

Titanium should be preheated to 400–600 °C before welding begins to reduce the effects of temperature gradients and residual stresses during the welding process, thereby minimizing welding distortion.

(2) Clamping:

Based on the structural characteristics of the parts and deformation predictions, specialized welding fixtures (see Figure 8) should be designed to securely clamp the parts, thereby reducing welding deformation.

(3) Welding Sequence:

A reasonable welding sequence and direction should be adopted, with segmented welding performed to reduce heat accumulation and accelerate heat dissipation, thereby minimizing thermal deformation.

(4) Temperature Control:
Technicians control temperature distribution during welding to mitigate the effects of temperature gradients and residual stresses, thereby reducing welding distortion.

Common measures include the use of heat sinks and cooling water.

Given the small volume and complex structure of the equipment being welded, technicians install a cooling water circulation pipe within the argon shielding hood.

This cooling system cools the workpiece during welding and effectively controls the welding temperature.

Figure 8 Welding and Heat Treatment Fixtures
Figure 8 Welding and Heat Treatment Fixtures

Due to the strict dimensional tolerances required for the workpiece, and in order to meet operational requirements and ensure dimensional stability, full-scale heat treatment must be performed after all welding is completed.

This process eliminates residual internal stresses, stabilizes the shape and dimensions, and improves machinability and service performance.

Based on the workpiece’s structural dimensional requirements, cross-sectional dimensions, and the recrystallization temperature of the material, engineers set the heat treatment temperature at (700–720) °C.

They also determine a holding time of approximately 1 hour.

Figure 9 shows the heat treatment curve.

 
Figure 9 Heat Treatment Curve
Figure 9 Heat Treatment Curve
  • Post-Weld Machining

After passing post-weld inspection and undergoing full stress-relief heat treatment, technicians machine the workpieces.

Since TC4 titanium alloy has high hardness and low thermal conductivity, engineers use carbide or coated cutting tools to prevent tool wear and workpiece deformation.

They also use coolant liberally to reduce cutting temperatures.

Material Machinability Characteristics

Titanium has a low modulus of elasticity, approximately half that of low-carbon steel and stainless steel.

This means that under the same stress conditions, titanium workpieces deform about twice as much as steel components, and the machined surface exhibits significant springback.

This increases cutting instability, accelerates tool wear, and may even cause chipping.

Therefore, when machining TC4 titanium alloy, engineers comprehensively consider the above factors and strictly control cutting temperatures.

Cutting Strategy and Process Optimization

Take advantage of the large heat dissipation space on the side edges of the cutting tool by prioritizing side-edge machining whenever possible.

Adopt a strategy of “narrow cutting width and high feed rate,” and use multi-edge tools to improve efficiency.

Coolant should fully cover the cutting edge to effectively reduce the temperature in the cutting zone.

At the same time, engineers do not set machining parameters too high; they control cutting speed between 20 and 50 m/min and control feed rate at 0.1 to 0.2 mm per revolution.

Machining Process Sequence

Based on its structural characteristics and tolerance requirements, engineers design the machining process as follows:

(1) Clamping and alignment using the machine table as a reference: First, align the support plate surface so that it is parallel to the machine table.

During clamping, operators use specialized fixtures for positioning; they do not allow forceful clamping.

(2) Machine the bottom surface of the base plate and the holes on the base plate using the machine table as a reference;

(3) Place the machined base plate firmly on the machine table and, using the table as a reference, machine the contours of the support plate, the inner and outer circles of the support ring and support arc plate, the contour dimensions of the load-bearing blocks, and the holes on the support plate;

(4) Deburr all sharp edges and remove burrs.

  • Surface Treatment

Acid washing and passivation of titanium alloy surfaces form a dense oxide film that effectively prevents corrosion by external media, significantly improving the surface quality and durability of the titanium alloy and extending its service life.

Therefore, technicians first clean and degrease structural components to remove dust, impurities, and oil residues from the surface before performing acid pickling and passivation.

This ensures that the resulting passivation film is dense and uniform.

After acid pickling and passivation, technicians rinse the components with clean water to remove residual acid and impurities.

Post-Weld Inspection

The weld types on this workpiece include butt welds and fillet welds.

Among these, the weld connecting the load-bearing block to the support plate constitutes the primary load-bearing structure; therefore, it must be free of internal defects such as cracks, porosity, and slag inclusions.

Therefore, in accordance with NB/T 47013.2—2015 “Non-Destructive Testing of Pressure Equipment,” inspectors performed 100% radiographic testing on these welds.

The inspection grade was AB, and the quality grade requirement was Grade I (pass).

All weld surfaces undergo 100% penetrant testing, with test results classified as Grade C and meeting Grade I acceptance criteria.

After acid washing the workpiece surface, technicians perform an iron contamination test.

The test uses the blue spot method, and the absence of blue spots indicates acceptance.

After completing the test, operators thoroughly clean the workpiece surface.

Conclusion

By developing a sound manufacturing process plan, employing appropriate welding methods and fixtures, and planning corresponding machining solutions and workflows, we have ensured that weld quality, geometric dimensions, and dimensional tolerances meet the required standards.

Through strengthened quality control, inspection, and acceptance procedures at every stage, we have ensured that the manufacturing quality complies with product specifications.

As the application of titanium and its alloys continues to expand into fields such as lightweight design and extreme environments, their advantages over traditional materials (such as carbon steel and stainless steel) have become increasingly evident.

Consequently, the demand for titanium and titanium alloy profiles and structural components in engineering sectors—including marine, chemical, automotive, and defense—has been growing year by year.

We have successfully prototyped such titanium alloy structural components and conducted technical research on their welding, heat treatment, forming, and non-destructive testing, thereby identifying practical manufacturing solutions for these products.

Scroll to Top